EN
乐竞(中国)
关于正西
集团成员
研发创新
制造能力
发展历程
全球布局
可持续发展
加入我们
产品中心
液压机
钣金成型
自动化
物联网
液压机
复合材料成型行业
冲压拉伸成型行业
锻造成型行业
汽车内饰件成型行业
其他行业
钣金成型
折弯机
折弯中心
开平校直
激光切割
激光焊
转塔冲
剪板机
刨槽机
钣金折弯解决方案
激光切管机
自动化
钣金冲压生产线
锻造成型生产线
复合材料模压成型生产线
综合行业
物联网
物联网—工厂云
客服热线(售前售后)
400-028-5557 028-67999199
立即咨询
行业解决方案
汽车内饰成型解决方案
锻造生产线成型解决方案
冲压拉伸成型解决方案
复合材料成型解决方案
服务支持
资源中心
常见问题
全球网点
供应链系统
非标定制
投资者关系
定期公告
公司公告
乐竞体育官方
集团动态
子公司动态
展会活动
招标公告
联系我们
联系方式
在线留言
热门关键词:
复合材料液压机
拉伸液压机
粉末成型液压机
锻造液压机
校直液压机
伺服液压机
您可能在寻找
关注正西
客服热线(售前售后)
400-028-5557 028-67999199
立即咨询
返回
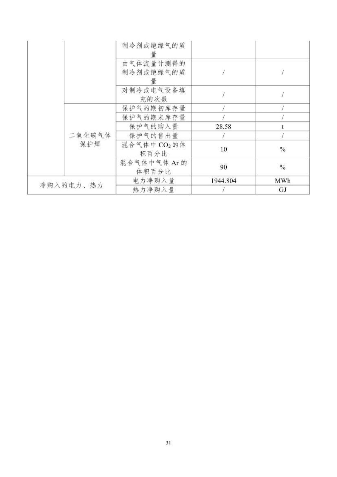
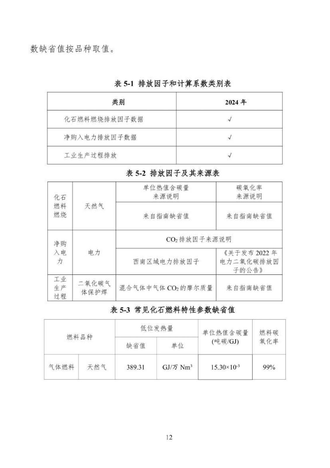
碳排放核算报告
乐竞体育官方
2025 08 27
分享:
上一篇 : 【展会资讯】2025上海复材展,正西诚邀您的参加!
下一篇 : 2024 YzS-500T复合材料液压机碳足迹评价报告
相关新闻
2025 09 06
【展会资讯】2025上海复材展,正西诚邀您的参加!
2025 08 27
2024 YzS-500T复合材料液压机碳足迹评价报告
2025 08 27
利益相关方承诺书
爱游戏ayx官方登录入口
|
半岛官网登陆入口
|
乐竞官方网页版
|
世界杯在线
|
博鱼网页登陆
|
悟空手机官方网站
|
德赢网页
|
满冠体育mgtiyu官方网站-科技股份有限公司
|
法甲线上买球|中国官方网站
|